圆柱形牙科银汞合金试样的模具
【产品简介】执行标准:
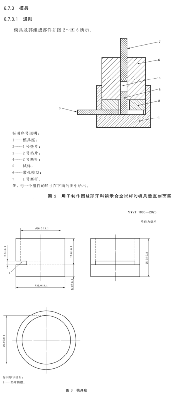
YY/T 1886-2023标准中6.7.3.1:图2、图3、图4
- 产品型号
- CW-Z582
- 产品品牌
- 诚卫
7*24小时免费咨询热线
13310112765
电话:13671892469
电话:13310112765
QQ:692427669
公司地址:上海市松江区洞业路999号
圆柱形牙科银汞合金试样的模具
执行标准:
YY/T 1886-2023标准中6.7.3.1:图2、图3、图4、图5、ISO20749 : 2017
使用材料:
使用冷轧钢或不锈钢材料制作模具座、垫片和顶盖。使用硬质工具钢或硬质不锈钢制作带孔模型和塞杆。
配置清单
模具一套,合格证一份,铭牌一份。


