圆柱形牙科银汞合金试样的模具
执行标准:
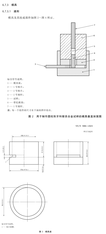
YY/T 1886-2023标准中6.7.3.1:图2、图3、图4、图5、ISO20749 : 2017
使用材料:
使用冷轧钢或不锈钢材料制作模具座、垫片和顶盖。使用硬质工具钢或硬质不锈钢制作带孔模型和塞杆。
配置清单
模具一套,合格证一份,铭牌一份。



文章地址:/ndetail/1407.html
电话:13671892469
电话:13310112765
QQ:692427669
公司地址:上海市松江区洞业路999号
文章来源: 上海诚卫仪器科技有限公司 更新时间:2026-04-08
圆柱形牙科银汞合金试样的模具
执行标准:
YY/T 1886-2023标准中6.7.3.1:图2、图3、图4、图5、ISO20749 : 2017
使用材料:
使用冷轧钢或不锈钢材料制作模具座、垫片和顶盖。使用硬质工具钢或硬质不锈钢制作带孔模型和塞杆。
配置清单
模具一套,合格证一份,铭牌一份。



BOD检测仪是一种广泛应用于环境监测和水质分析领域的仪器。B···
在现代科技发展快速的背景下,各类仪器设备不断涌现,其中之一便···
在现代环境监测和水质监测领域,BOD(生化需氧量)是一项关键···
BOD测定仪是一种用于测量水体中生物需氧量(BOD)的设备。···
引言:随着现代城市化进程的快速发展,水资源的保护和管理变得越···
蒸馏仪是一种用于分离液体混合物的工具,它通过利用不同液体的沸···
智能一体化蒸馏仪是一种分离纯化设备,通常用于制药、化工、石油···
水质是人类生活中不可或缺的重要资源,因此对水质的监测与检测显···
智能一体化蒸馏仪是一种集高科技的先进设备。它采用先进的智能控···
便携式多参数水质测定仪是一种先进的仪器设备,广泛应用于水质监···