20工位卤化丁基橡胶塞垫片穿刺落屑和穿刺力测试仪
- 产品型号
- CW-Z100-20
- 产品品牌
- 诚卫
电话:13671892469
电话:13310112765
QQ:692427669
公司地址:上海市松江区洞业路999号
20工位卤化丁基橡胶塞垫片穿刺落屑和穿刺力测试仪
一,满足标准 
YBB00042005-2015CFDA
YBB00332004-2015
YBB00322004-2015
二,主要参数:
1,工位:20其中10个对照瓶,操作简便,独立夹具设计
2,PLC控制系统,研发,创新,远程控制系统,免费升级系统
3,7寸触摸屏操作界面,界面中英文切换,不分国籍,适用范围广泛
4,中英文切换,若需要其他文字,联系我们,24小时服务
5,外形尺寸:500*500*450;此尺寸仅作为参考,以实际货物尺寸为准
6,刺穿速度:0-100MM/MIN可任意设置  设计值范围:0-200MM/MIN
7,试验材料:50ML瓶子;
8,刺穿力:0-200N
YBB00042005-2015CFDA药包材标准
【穿刺落屑】取本品10个,照注射剂用胶塞、垫片穿刺落屑测定法(YBB00332004-2015)测定,落屑数应不得过20粒。
【穿刺力】取本品10个,照注射剂用胶塞、垫片穿刺力测定法(YBB00322004-2015)测定,平均穿刺力不得过75,且每个胶塞的穿刺力均不得过80N,穿刺过程中不应有胶塞被推入瓶内。
 
测试步骤测定法
本法适用于注射剂用胶塞、垫片穿刺落屑的测定。
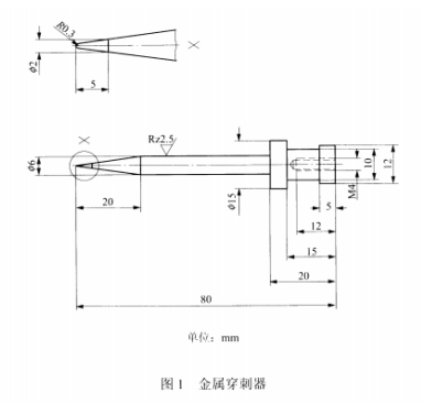
穿刺落屑是指在穿刺试验中,穿刺器刺透胶塞或垫片产生的,在没有放大工具帮助下观察到的可见落屑数,以落腐数量计。
适用范围:用于注射剂用适合规格的胶塞。
本法目的是测定不同注射液用胶塞或冻干胶塞穿刺落屑的相对趋势关系,其结果受多种因素的影响,如胶塞优化过程,封盖装置类型,密封阻力,穿刺器大小,其锋利程度,穿刺器上润滑剂的数量和操作者视力好坏等。
基于上述原因,为了得到可比较的结果,有必要控制以上影响结果的因素,为此被测胶塞必须和己知穿刺落屑数的胶塞做同步比较试验。
如果已知穿刺落屑数胶塞的结果与先前已知的结果具有一致性(即测试结果与已知落屑数相同或相差一粒),则应判被测胶塞测得的结果有效。
仪器装置注射剂瓶:与被测胶塞配套装量50ml以上(含50ml),20个(包括对照试验)。铝盖或铝塑组合盖:与被测胶塞配套。20个。手动封盖机:与被测胶塞配套,一把。抽滤装置。
